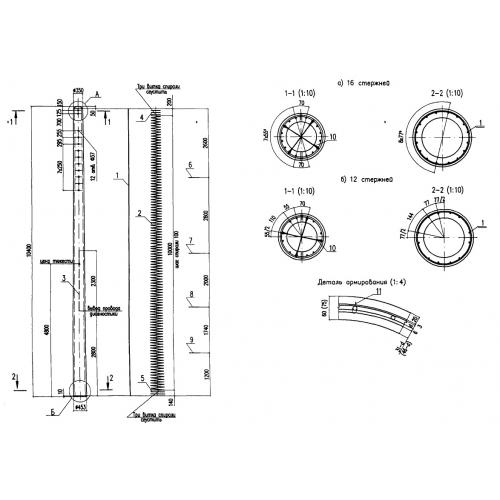
СТ 104
Характеристики изделия:
| Параметр | Значение |
|---|---|
| длина | 10400 мм |
| ширина | 453 мм |
| высота | 453 мм |
| вес | 1820 кг |
| серия | ТП 4180 |
Цена:
Рассчитать стоимостьСТ 104 Стойки по проекту ТП 4180.
| Параметр | Значение |
|---|---|
| длина | 10400 мм |
| ширина | 453 мм |
| высота | 453 мм |
| вес | 1820 кг |
| серия | ТП 4180 |
СТ 104 Стойки по проекту ТП 4180.
