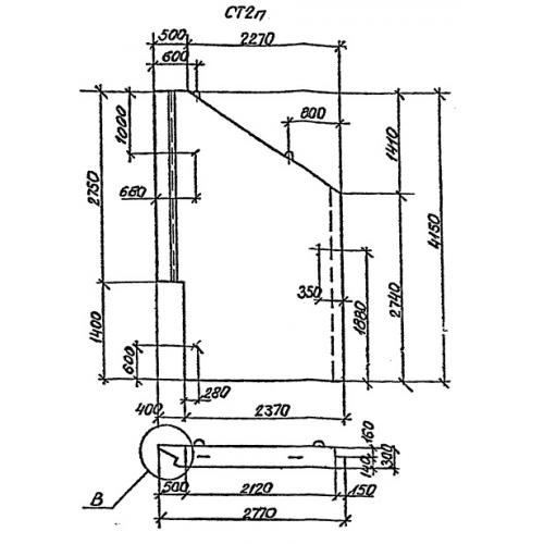
СТ 2

Чертеж изделия:
Характеристики изделия:
ПараметрЗначение
длина2770 мм
ширина300 мм
высота4150 мм
масса6500 кг

СТ 2 Откосные стенки (крылья) по Шифру 2119РЧ.