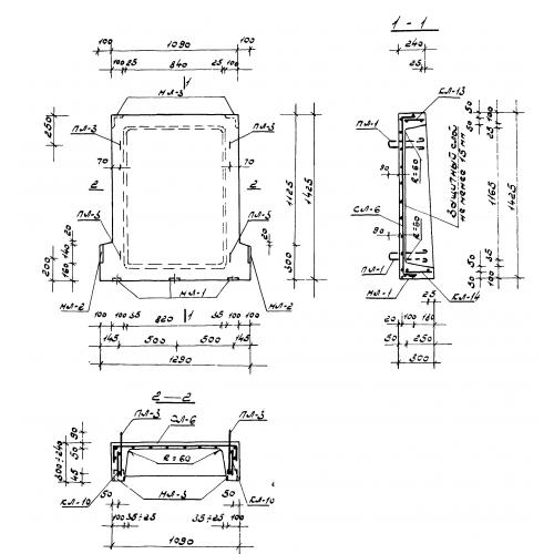
ЛП 13-14

Чертеж изделия:
Характеристики изделия:
ПараметрЗначение
длина1290 мм
ширина1425 мм
высота300 мм
масса530 кг
нормативный документСерия ИИС 04-7

ЛП 13-14 Лестничные площадки по Серии ИИС 04-7.