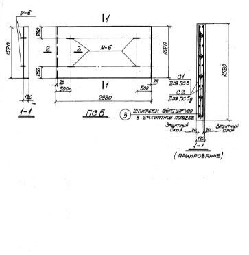
ПС 5

Чертеж изделия:
Характеристики изделия:
ПараметрЗначение
длина2980 мм
ширина1520 мм
высота120 мм
масса1350 кг
нормативный документСерия  ХТР 1-1

ПС 5 Плиты стеновые по Серии ХТР 1-1.