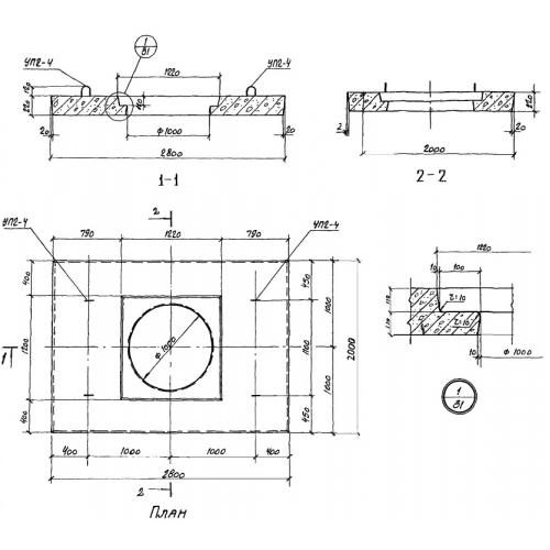
КЦО 4 Плиты дорожные с нишей для люка

Чертеж изделия:
Характеристики изделия:
ПараметрЗначение
длина2800 мм
ширина2000 мм
высота220 мм
масса2480 кг
нормативный документСерия 3.900.-3.

КЦО 4 Плиты дорожные с нишей для люка по Серии 3.900.-3.