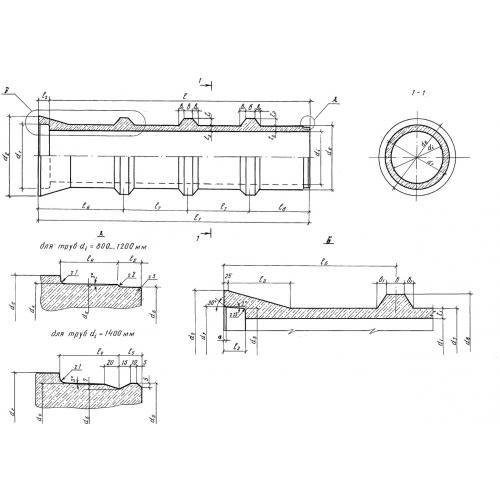
ТСР 120.35

Чертеж изделия:
Характеристики изделия:
ПараметрЗначение
длина3675 мм
ширина1742 мм
высота1742 мм
масса5200 кг
нормативный документСерия 3.820.1-81.94

ТСР 120.35  Труба бетонная безнапорная ребристая раструбная, имеющая ступенчатую стыковую поверхность втулочного конца. Уплотнение стыковой поверхности таких элементов производится резиновыми кольцамиСерия 3.820.1-81.94.