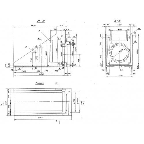
ОН-8

Чертеж изделия:
Характеристики изделия:
ПараметрЗначение
длина2785 мм
ширина1320 мм
высота1590 мм
масса2580 кг
нормативный документСерия 3.820-6

ОН-8  Оголовки с ныряющими стенками по Серии 3.820-6.