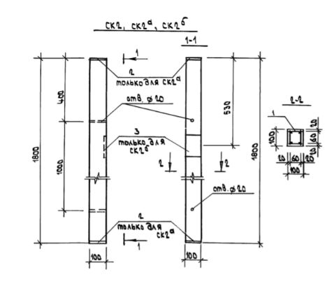
СК 2

Чертеж изделия:
Характеристики изделия:
ПараметрЗначение
длина1800 мм
ширина100 мм
высота100 мм
масса50 кг
нормативный документСерия 3.818.9-2

СК 2  Стойки ограждения Серия 3.818.9-2.