Ф-365

Чертеж изделия:
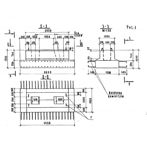
Характеристики изделия:
ПараметрЗначение
длина3650 мм
ширина2580 мм
высота1340 мм
вес11800 кг
серия3.503-49

Ф-365 Блоки фундамента устоев по серии 3.503-49.