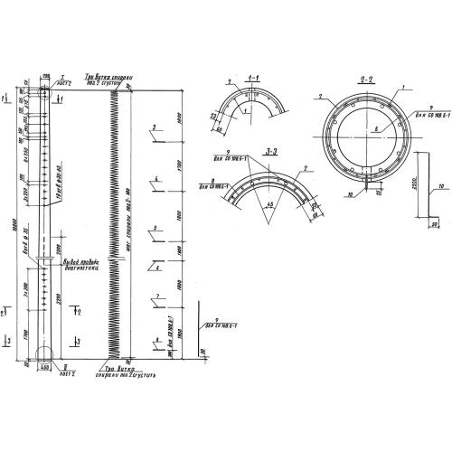
С 108 стойка

Чертеж изделия:
Характеристики изделия:
ПараметрЗначение
длина10800 мм
ширина450 мм
высота450 мм
вес1570 кг
серия3.501.1-160

С 108  Стойки для опор контактной сети железных дорог по серии 3.501.1-160.