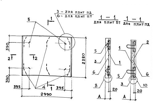
ПТ 300.240.25 плиты лотков

Чертеж изделия:
Характеристики изделия:
ПараметрЗначение
длина2990 мм
ширина2380 мм
высота250 мм
масса4450 кг
нормативный документСерия 3.006.1-8

ПТ 300.240.25  Плиты перекрытий каналов Серия 3.006.1-8.