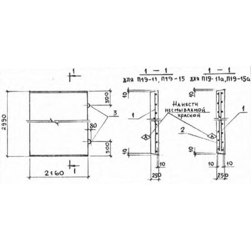
П 19

Чертеж изделия:
Характеристики изделия:
ПараметрЗначение
длина2990 мм
ширина2160 мм
высота250 мм
масса4040 кг
нормативный документСерия 3.006.1-2/82

П 19  Плиты перекрытия лотков Серия 3.006.1-2/82.