П 15
Характеристики изделия:
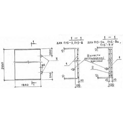
| Параметр | Значение |
|---|---|
| длина | 2990 мм |
| ширина | 1840 мм |
| высота | 120 мм |
| масса | 1650 кг |
| нормативный документ | Серия 3.006.1-2/82 |
Цена:
Рассчитать стоимостьП 15 Плиты перекрытия лотков Серия 3.006.1-2/82.
| Параметр | Значение |
|---|---|
| длина | 2990 мм |
| ширина | 1840 мм |
| высота | 120 мм |
| масса | 1650 кг |
| нормативный документ | Серия 3.006.1-2/82 |
П 15 Плиты перекрытия лотков Серия 3.006.1-2/82.
