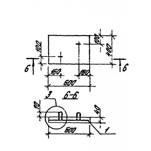
П 2 плита плоская

Чертеж изделия:
Характеристики изделия:
ПараметрЗначение
длина600 мм
ширина400 мм
высота40 мм
масса30 кг
нормативный документСерия 1.465.4-19

П 2  Плиты плоские Серия 1.465.4-19.