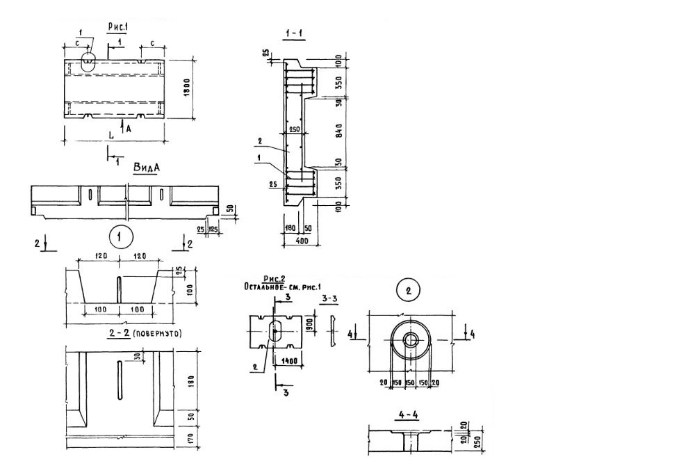
ЛРТ 30.18.40 ла
Характеристики изделия:
| Параметр | Значение |
|---|---|
| длина | 2980 мм |
| ширина | 1800 мм |
| высота | 400 мм |
| масса | 2260 кг |
| нормативный документ | Серия 1.165.1-12 |
Цена:
Рассчитать стоимостьЛРТ 30.18.40 ла Водосбросные лотковые плиты с водоприемной воронкой, Серия 1.165.1-12.