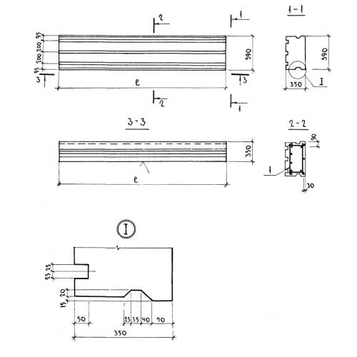
ПВ 48.6.35

Чертеж изделия:
Характеристики изделия:
ПараметрЗначение
длина4770 мм
ширина590 мм
высота350 мм
вес670 кг
серия1.165.1-10

ПВ 48.6.35 Вентилируемые панели покрытия по серии 1.165.1-10.