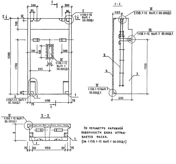
СБ 5.1-12.24.6-п-1.1.1

Чертеж изделия:
Характеристики изделия:
ПараметрЗначение
длина1190 мм
ширина600 мм
высота2380 мм
масса2530 кг
нормативный документСерия 1.138.1-12

Серия 1.138.1-12

СБ – стеновые блоки наружных стен, тип блока 5 – парапетный блок.