ОЛ 60.10.8
Характеристики изделия:
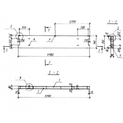
| Параметр | Значение |
|---|---|
| длина | 5980 мм |
| ширина | 960 мм |
| высота | 80 мм |
| масса | 1180 кг |
| нормативный документ | Серия 1.137.1 КЛ-3 |
Цена:
Рассчитать стоимостьОЛ 60.10.8 Панели ограждения лоджий Серия 1.137.1 КЛ-3.
| Параметр | Значение |
|---|---|
| длина | 5980 мм |
| ширина | 960 мм |
| высота | 80 мм |
| масса | 1180 кг |
| нормативный документ | Серия 1.137.1 КЛ-3 |
ОЛ 60.10.8 Панели ограждения лоджий Серия 1.137.1 КЛ-3.
