2БН 12.8.50
Характеристики изделия:
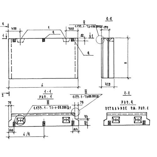
| Параметр | Значение |
|---|---|
| длина | 1190 мм |
| ширина | 420 мм |
| высота | 760 мм |
| вес | 400 кг |
| серия | 1.133.1-7 |
Цена:
Рассчитать стоимость2БН 12.8.50 Блоки подоконные по серии 1.133.1-7.
| Параметр | Значение |
|---|---|
| длина | 1190 мм |
| ширина | 420 мм |
| высота | 760 мм |
| вес | 400 кг |
| серия | 1.133.1-7 |
2БН 12.8.50 Блоки подоконные по серии 1.133.1-7.
