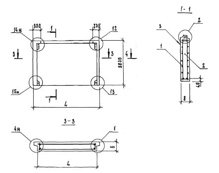
2ПСН 31.20.45-п-1
Характеристики изделия:
| Параметр | Значение |
|---|---|
| длина | 3085 мм |
| ширина | 450 мм |
| высота | 2030 мм |
| масса | 3900 кг |
| нормативный документ | Серия 1.117.1-20 |
Цена:
Рассчитать стоимостьПанели наружных цокольных стен. Панели толщиной 400 и 450 мм (Серия 1.117.1-20).
2ПСН 31.20.45-п-1 Панели стеновые наружные.
п-пористый бетон.