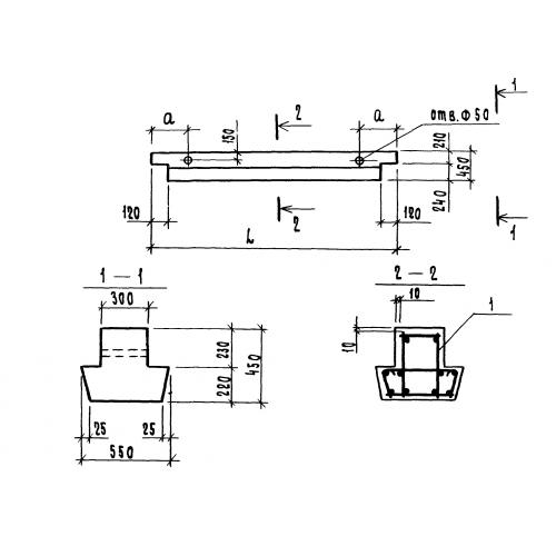
3БР 63.5.4

Чертеж изделия:
Характеристики изделия:
ПараметрЗначение
длина6260 мм
ширина550 мм
высота450 мм
вес2900 кг
серия1.111.1-5

3БР 63.5.4 Балки ростверков по серии 1.111.1-5.