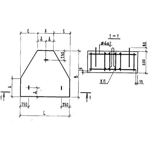
3 ОСП 35

Чертеж изделия:
Характеристики изделия:
ПараметрЗначение
длина1600 мм
ширина1500 кг
высота600 мм
вес2930 кг
серия1.111.1-4

3ОСП 35 Оголовки свайные с платформенным сопряжением по серии 1.111.1-4.