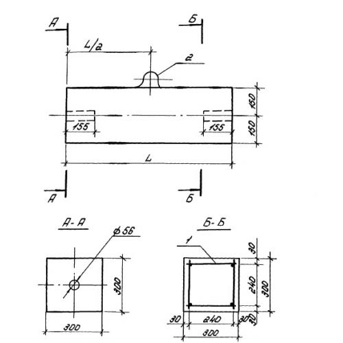
СМ 0.9.30

Чертеж изделия:
Характеристики изделия:
ПараметрЗначение
длина900 мм
ширина300 мм
высота300 мм
вес211 кг
серия1.110 КР-1

СМ 0.9.30 Сваи многосекционные по  серии 1.110 КР-1.