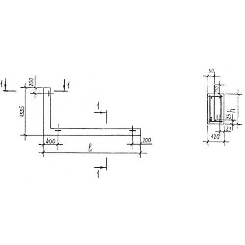
1ПБУ 25 перемычки брусковые угловые

Чертеж изделия:
Характеристики изделия:
ПараметрЗначение
длина2525 мм
ширина120 мм
высота220 мм
масса248 кг
нормативный документСерия 1.038.1-1

1ПБУ 25  Перемычки брусковые угловые Серия 1.038.1-1.