4К 3.28(33)

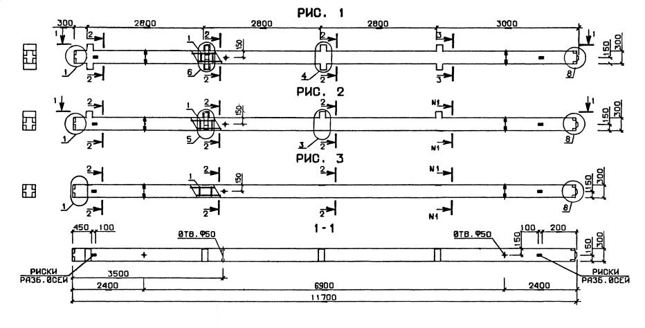
Чертеж изделия:
Характеристики изделия:
ПараметрЗначение
длина11700 мм
ширина300 мм
высота300 мм
масса2740 кг
нормативный документСерия 1.020.1-3пв

4К 3.28(33)  Колонны  Серия 1.020.1-3пв.