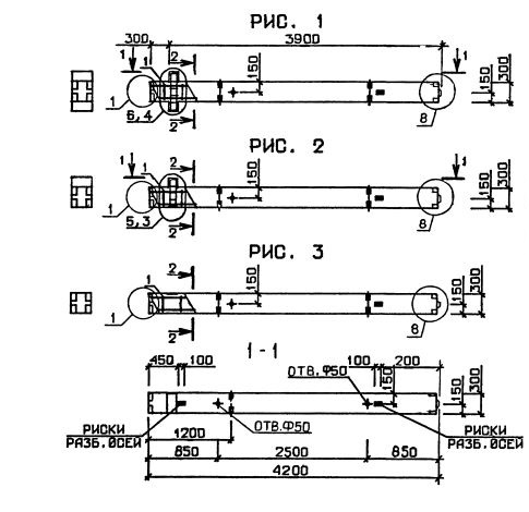
1КД 3.42

Чертеж изделия:
Характеристики изделия:
ПараметрЗначение
длина4200 мм
ширина300 мм
высота600 мм
масса1000 кг
нормативный документСерия 1.020.1-3пв

1КД 3.42  Колонны двухконсольные Серия 1.020.1-3пв.