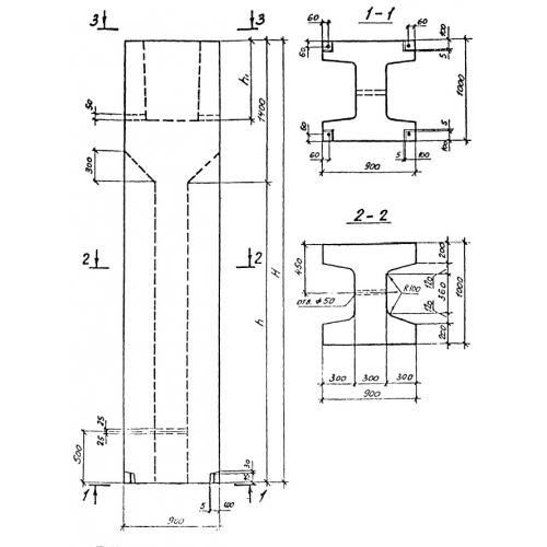
ВБ 9.10.36

Чертеж изделия:
Характеристики изделия:
ПараметрЗначение
длина900 мм
ширина1000 мм
высота3590 мм
вес6320 кг
серия0-221-84

ВБ 9.10.36 Блоки-стаканы верхние по серии 0-221-84.