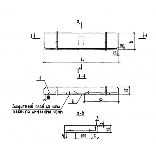
ПОГ 19.35 плиты подоконные

Чертеж изделия:
Характеристики изделия:
ПараметрЗначение
длина1900 мм
ширина350 мм
высота45 мм
масса45 кг
нормативный документГОСТ 26919-86

ПОГ 19.35  Плиты подоконные, обладают глянцевой наружностью,  изготавливаются на основе белого либо цветного цемента, ГОСТ 26919-86.